



















































Vorteile:
Der Kaminkorpus und die Vorderseite bestehen aus 4 mm dicken Stahlblechen und ermöglichen somit den Betrieb bei hohen Temperaturen
Die Stahlelemente sind mit Laser Technologie geschnitten worden und dann auf einer CNC-Biegemaschinen bearbeitet
Der Kamineinsatz wurde mit Edelgas geschweißt was eine gute Qualität der Schweißnähte bietet
Die Glasscheibe ist bis zu 800°C Hitzebeständig
Untergestell mit verstellbaren Füßen
Regelbare Luftzufuhr von Primärluft (Luftzug vor der Glasscheibe und von unten) und Sekundärluft (Oberseite des Brennraums)
Technische Daten:
Modell: Kratki MBZ13 Warmluft-Eckkamineinsatz Links Verglast - Schwenktür
Nennwärmeleistung: 13 kW
Wärmeleistungsbereich: 6 - 16 kW
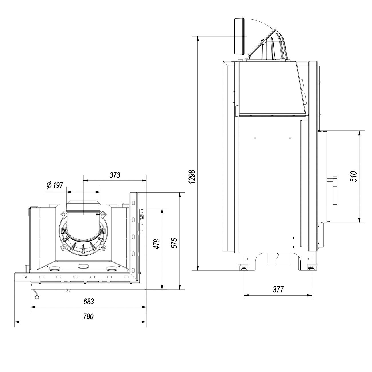
Maße des Kamins: Höhe: 140 cm x Breite: 78,0 cm x Tiefe: 57,5 cm
Maße der Glasscheibe: Höhe: 45,6 cm x Breite: 63,5 cm x 43,0 cm
Weitere Maße finden Sie bei den Bildern
Gewicht: 200 kg
Rauchrohr-Durchmesser: 200 mm
Position Rauchrohr-Anschluss: oben, um 360° drehbar
Durchmesser Anschluss Externe Luftzufuhr: 125 mm
Max. Scheitholzlänge: 50 cm
Brennstoff: Scheitholz und Holzbriketts
Ausstattung:
Scheibenspülung – Klare Sicht auf das Feuer - Luftstrom vor der Glasscheibe, dadurch wird die Verschmutzung der Scheibe minimiert
Anschluss für Externe Luftzufuhr - Optional anschließbar - Mit der Externen Luftzufuhr können Sie den Ofen mit Luft aus einem Nebenraum oder von außen beheizen. Dies wirkt sich positiv auf das Raumklima aus, da kein Sauerstoff aus dem Raum verbrannt wird. Der Anschluss für die Externe Luftzufuhr ermöglicht auch einen Anschluss einer elektronischen Verbrennungsluft Regelung
Rostlose Verbrennung (Brennraum ohne Rost) - die Holzglut liegt direkt auf dem Schamotteboden des Brennraumes. Die Verbrennungsluftzufuhr wird nicht von unten, wie üblicherweise, zu der Glut zugeführt sondern durch die Brennraumwände, dadurch wird die Glut nicht so abgekühlt und führt zu einer vollständige Holzverbrennung und einen hohen Wirkungsgrad.
24 Stunden Betrieb möglich
Untergestell mit verstellbaren Füßen
Acumotte Feuerraum - Speichert die Wärme
Daten für den Schornsteinfeger:
Bauart A1 (Selbstschliessende Feuerraumtür): Optional
Bundesimmissionsschutzverordnung (BImSchV): 1. Stufe: Ja, 2. Stufe: Ja
Art. 15a B-VG: Ja
Wirkungsgrad (Energieeffizienz): 81 %
Staub: 27 mg/Nm³
CO-Emission (bei 13% O2): 0,09 %
Abgastemperatur: 235 °C
Abgasmassenstrom: 12,5 g/s
Erforderlicher Druck bei Nennwärmeleistung: 12 Pa +/- 2 PA
Optionales Zubehör:
4 zusätzliche Füße
Brennraumauskleidung in schwarz (Standard weiß)
Griffarben in Gold oder Nickel (Standard schwarz)
Einteilig gebogene Glasscheibe (Standard zweiteilig)
Dekorationsartikel und Rauchrohre gehören nicht zum Leistungsumfang
Kratki.pl Marek Bal
ul. W. Gombrowicza 4
Jedlińsk 26-660
Polen
004935817925572
contact@kratki.com
Accessory Items
Similar Items