















































Ein schöner Kamineinsatz von dem Internationalen Hersteller Kratki, der Kamineinsatz mit Scheibenspülung sorgt für eine langanhaltende freie Sicht auf das Feuer. Die große Sichtscheibe sorgt für noch mehr Freude beim Heizen und durch die rahmenlose panorama Glasscheibe wirkt das Feuer, bzw. der Innenraum noch größer.
Vorteile:
Der Kaminkorpus und die Vorderseite bestehen aus 4 mm dicken Stahlblechen und ermöglichen somit den Betrieb bei hohen Temperaturen
Die Stahlelemente sind mit Laser Technologie geschnitten worden und dann auf einer CNC-Biegemaschinen bearbeitet
Der Kamineinsatz wurde mit Edelgas geschweißt was eine gute Qualität der Schweißnähte bietet
Die Glasscheibe ist bis zu 800°C Hitzebeständig
Untergestell mit verstellbaren Füßen
Regelbare Luftzufuhr von Primärluft (Luftzug vor der Glasscheibe und von unten) und Sekundärluft (Oberseite des Brennraums)
Technische Daten:
Modell: Kratki MBM 10 Warmluft-Kamineinsatz mit externer Luftzufuhr
Nennwärmeleistung: 10 kW
Wärmeleistungsbereich: 4,5 - 12,5 kW
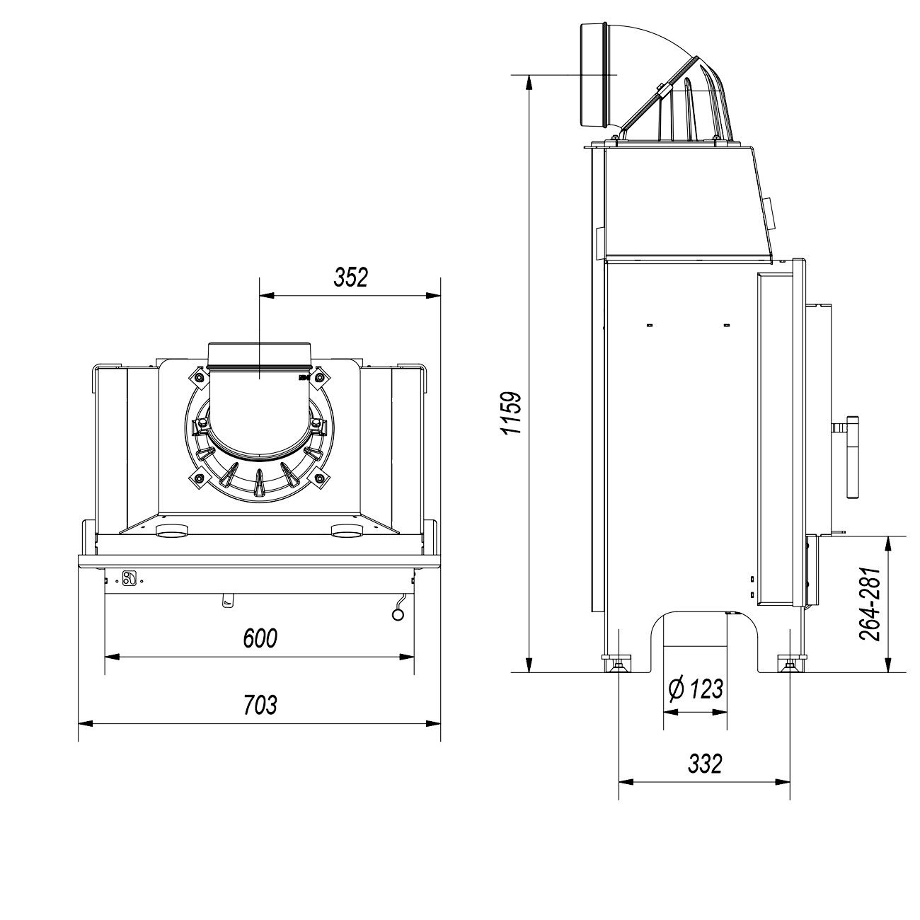
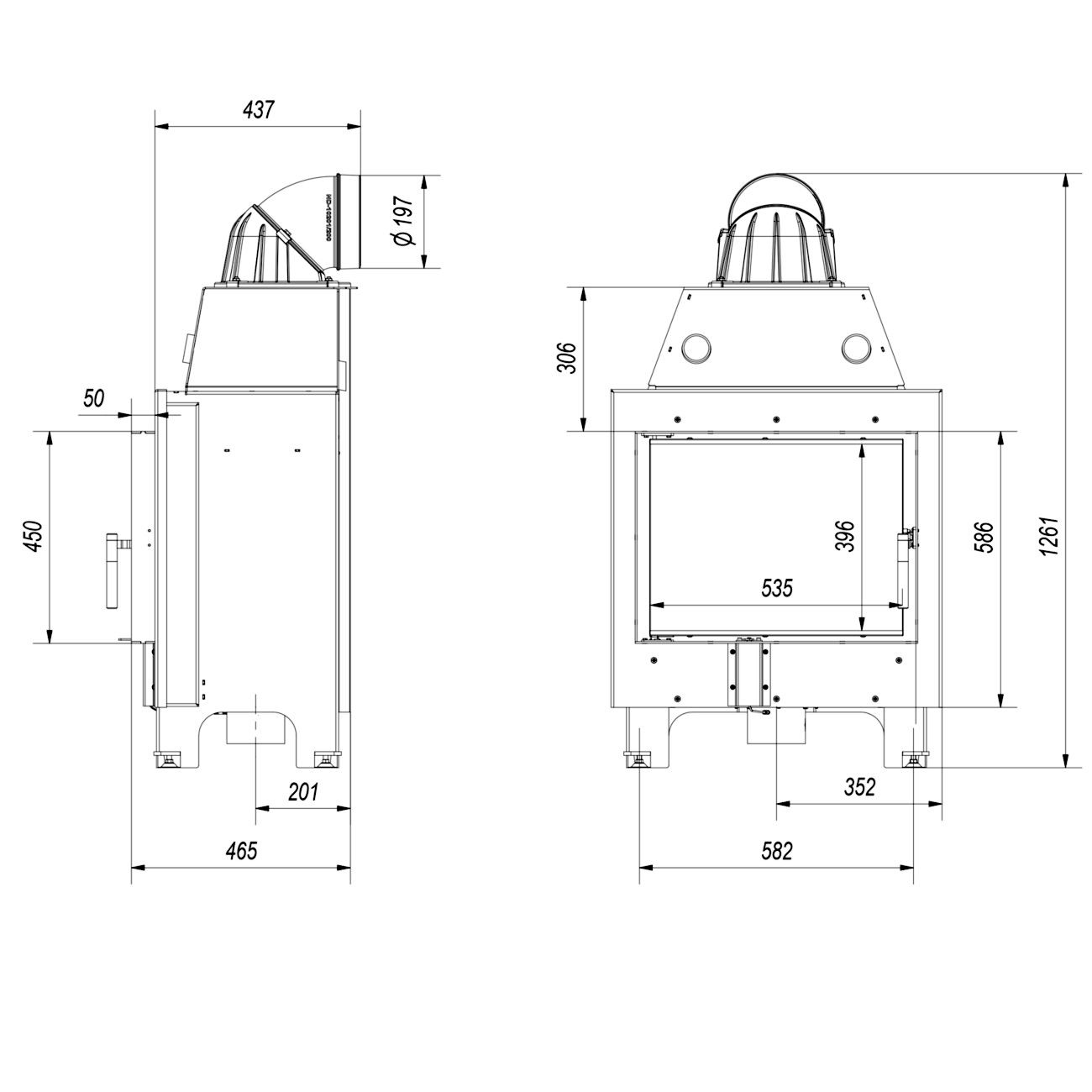
Maße des Kamins: Höhe: 126,1 cm x Breite: 70,3 cm x Tiefe: 46,5 cm
Maße der Glasscheibe: Höhe: 39,6 cm x Breite: 53,5 cm
Weitere Maße finden Sie bei den Bildern
Gewicht: 161 kg
Rauchrohr-Durchmesser: 200 mm (197 mm)
Position Rauchrohr-Anschluss: oben, um 360° drehbar
Durchmesser Anschluss Externe Luftzufuhr: 125 mm (123 mm)
Max. Scheitholzlänge: 50 cm
Brennstoff: Scheitholz und Holzbriketts
Min. Luftdurchlassmenge Einlass: ≥ 500 cm²
Min. Luftdurchlassmenge Auslass: ≥ 700 cm²
Ausstattung:
Scheibenspülung – Klare Sicht auf das Feuer - Luftstrom vor der Glasscheibe, dadurch wird die Verschmutzung der Scheibe minimiert
Anschluss für Externe Luftzufuhr - Optional anschließbar - Mit der Externen Luftzufuhr können Sie den Ofen mit Luft aus einem Nebenraum oder von außen beheizen. Dies wirkt sich positiv auf das Raumklima aus, da kein Sauerstoff aus dem Raum verbrannt wird. Der Anschluss für die Externe Luftzufuhr ermöglicht auch einen Anschluss einer elektronischen Verbrennungsluft Regelung
Rostlose Verbrennung (Brennraum ohne Rost) - die Holzglut liegt direkt auf dem Schamotteboden des Brennraumes. Die Verbrennungsluftzufuhr wird nicht von unten, wie üblicherweise, zu der Glut zugeführt sondern durch die Brennraumwände, dadurch wird die Glut nicht so abgekühlt und führt zu einer vollständige Holzverbrennung und einen hohen Wirkungsgrad.
24 Stunden Betrieb möglich
Untergestell mit Verstellbaren Füßen
Acumotte Feuerraum - Speichert die Wärme
Daten für den Schornsteinfeger:
Bauart A1 (Selbstschliessende Feuerraumtür): Ja, optional
Bundesimmissionsschutzverordnung (BImSchV): 1. Stufe: Ja, 2. Stufe: Ja
Art. 15a B-VG (Österreich): Ja
Wirkungsgrad (Energieeffizienz): 81 %
Staub: 28 mg/Nm³
CO-Emission (bei 13% O2): 1208 nm/Nm³
Abgastemperatur: 235 °C
Abgasmassenstrom: 9,5 g/s
Erforderlicher Druck bei Nennwärmeleistung: 12 Pa +/- 2 PA
Optionales Zubehör:
Blendrahmen
4 Zusätzliche Füße
Brennraumauskleidung schwarz (Standard weiß)
Dekorationsartikel und Rauchrohre gehören nicht zum Leistungsumfang
Kratki.pl Marek Bal
ul. W. Gombrowicza 4
Jedlińsk 26-660
Polen
004935817925572
contact@kratki.com
Accessory Items
Similar Items